Welcome to Hangzhou Tietai Automation Technology Co., Ltd.

Products
Center
Contact Us

+86 15356126316

+86-021-58340058

rachel@dolaik.com

No.1 XinguangRoad,Suoqian Town,Xiaoshan District, Hangzhou City,Zhejiang Province

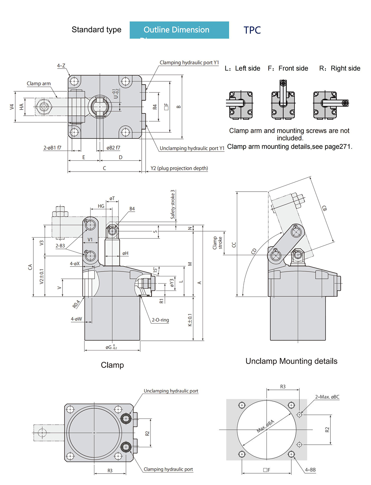
TPC-Hydraulic Lever CylinderTPC-Hydraulic Lever CylinderTPC-Hydraulic Lever CylinderTPC-Hydraulic Lever Cylinder
TPC-Hydraulic Lever Cylinder
TPC-Hydraulic Lever Cylinder
TPC-Hydraulic Lever Cylinder
TPC-Hydraulic Lever Cylinder

TPC-Hydraulic Lever Cylinder

Share
Product Details

Survey
Message

Company Name*


選擇區號